

![]() |



DWBDR...A 系列隔爆型空氣加熱器是由管狀加熱元件安裝在機架或安裝法蘭, 和電氣接線盒。 我們所有 的加熱器的設計和制造是根據客戶要求重新要求和操作條件。 電氣連接箱的材料是碳鋼或不銹鋼。 加熱 元件材質為不銹鋼。
DWBDR...A 系列隔爆型空氣加熱器熱效率高, 是由一個特定的表面負載 Pa 確定, 這是根據操作條件的優 化實現。
通過溫度傳感器、 加熱元件、 機電開關或電子監控設備, 對加熱器的溫度監控和溫度等級進行溫度監測。
加熱器的安全運行需要一個流量監視器作為規則。
咨詢熱線:
0523-88317000 88318288




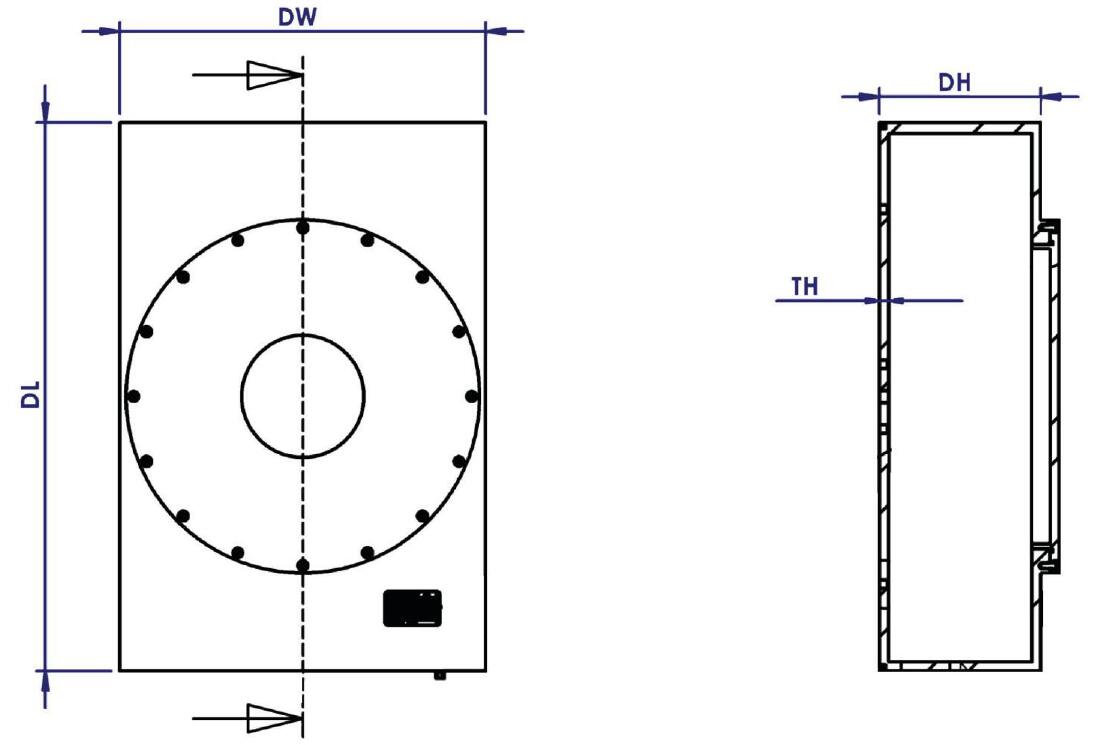
請參考下面的表格排序。如果你需要更多的信息,請聯系我們的銷售代表協助。
空氣電加熱器適合于安裝在 HVAC( 加熱, 通風和空調) 設備或加熱過程氣體或特種氣體。 也可用于烤箱, 干燥器或者室內加熱。
主要應用領域是石油化工制品, 石油和天然氣生產及輸送, 油漆以及環境工程等等。
防爆空氣加熱器適合于在危險環境 zone 1、 zone、 2zone 21、 zone22 下工作。 高品質的工業空氣加熱器( 最小 IP54) 在安全環境使用。
你可以幫助我們回答你的詢問, 至少你給我們下面的數據:
?介質, 流量, 進出口溫度
?所需的加熱容量、 電壓
?風管尺寸、 安裝位置
?用于加熱元件、 風道和連接盒的材料
?防爆: 區域分類, 溫度等級
?環境條件
帶有法蘭結構的空氣通氣管在 HVAC 安裝,
或儀器箱, 烤箱和室內加熱。
空氣加熱器管道安裝
由法蘭連接,安裝在管道系統。
高溫空氣加熱器設計有獨?接線盒,?卻區并且熱絕緣支撐。
空氣加熱器和風機安裝在風道殼體,設計上的變化:
?壁掛式循環空氣加熱器(3 至30 千瓦。
?緊湊型風機加熱器。
?用于安裝在熱室或容器外部的循環空氣加熱器。

|
填寫您的需求,我們將會在最短的時間內與您取得聯系
30分鐘內給予技術咨詢答復 | 24小時內提供明確方案設計 | 24/72小時內完成國內/外工程師派遣
|

![]() |
![]() Copyright (C) 2000-2018 All Rights Reserved. 蘇ICP備12036863號 德威電氣江蘇有限公司版權所有
|
![]() |